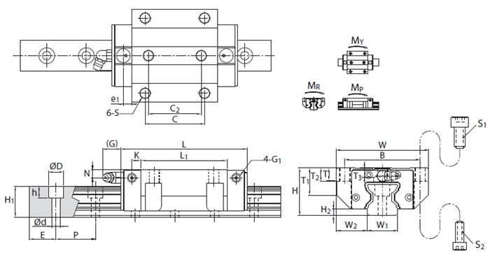
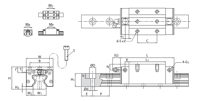
優(yōu)勢特點:臺灣PMI直線導軌SMR系列特點:1超重負荷。2四方向負荷的最佳化設計。3超高剛性。4低噪音,潤滑效果佳



銀泰SMR滾柱型直線導軌由于使用滾柱滾動體取代一般的鋼珠滾動體,因此在相同尺寸的直線導軌上可提供更高的剛性與負載能力,另SMR系列搭配滾柱鏈帶式的專利設計,更可使其運行更為穩(wěn)定順暢,特別適用于講求高精度、高負載與高剛性的設備需求。
【超重負荷】
滾柱型系列直線導軌透過滾柱滾動體與滑塊及導軌的線接觸受力方式,相較于一般鋼珠型直線導軌的點接觸模式,在承受相同負載時提供更低的彈性變形量,相同外徑條件下提供更高的負載能力,其高剛性、高負載的優(yōu)良特性,更能滿足重負荷加工的高精度應用。
【四方向負荷的優(yōu)化設計】
透過有限元素法FEM的結構應力分析,優(yōu)化的四列式滾柱45°接觸角與高剛性斷面設計,除了提供徑向、反徑向及橫方向四方向更高的負荷能力,并且可利用預壓調整增加其剛性,更適合各種安裝方式的應用。
【超高剛性】
【滾柱鏈帶式設計,行走順暢度佳】
簡單圓滑的滾柱回流路徑設計,采用耐沖擊的強化合成樹脂之滾柱循環(huán)配件,SMR系列配合滾柱鏈帶式的設計,防止?jié)L柱與滾柱間的相互磨擦,使?jié)L柱循環(huán)進出負荷區(qū)與非負荷區(qū)時更加平穩(wěn),并能保持滾柱在同一直在線運轉,大幅的提高其行走順暢度。
【低噪音,潤滑效果佳】
滾柱鏈帶式的設計減少了滾柱間的金屬碰撞,降低整體的運行噪音,并在滾柱與鏈帶間可有效的保持潤滑油脂,潤滑效果佳,提升了整體的行走順暢度與使用壽命,可滿足高精度、高可靠度及平滑穩(wěn)定的直線運動需求。


















SMR25E SMR25LE SMR30E SMR30LE SMR35E SMR35LE SMR45E SMR45LE SMR55E SMR55LE SMR65LE
SMR25S SMR25LS SMR30S SMR30LS SMR35S SMR35LS SMR45S SMR45LS SMR55S SMR55LS SMR65LS
上一篇:SMR55LS
下一篇:沒有了


















