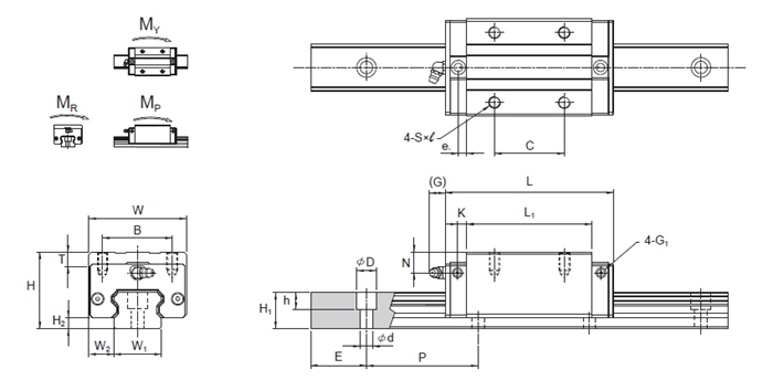
優(yōu)勢特點:臺灣PMI直線導軌SME系列特點:1四方向等負荷設計。2具自動調心能力。3鋼珠鏈帶設計,行走順暢度佳。4低噪音,潤滑效果佳。



銀泰SME系列鋼珠鏈帶型直線導軌比起一般標準型線性導軌,搭配鋼珠鏈帶的專利設計,可使其運行更為穩(wěn)定順暢,特別適用于講求高速度、高精度的設備需求。
【四方向等負荷設計】
透過結構應力分析,優(yōu)化的四列式鋼珠45°圓弧接觸角與高剛性斷面設計,除了提供徑向、反徑向及橫方向四方向優(yōu)良的負荷能力,并且可利用預壓調整增加其剛性,更適合各種安裝方式的應用。
【具自動調心能力】
正面組合(DF組合)的圓弧溝槽設計,使其具有自動調心的能力,即使給予預壓也能夠吸收安
裝誤差,并維持平滑穩(wěn)定、高精度的直線運動。
【鋼珠鏈帶式設計,行走順暢度佳】
簡單圓滑的鋼珠回流路徑設計,采用耐沖擊的強化合成樹脂之鋼珠循環(huán)配件,配合鋼珠鏈
帶式的設計,防止鋼珠與鋼珠間的相互磨擦,使鋼珠循環(huán)進出負荷區(qū)與非負荷區(qū)時更加平
穩(wěn),并能保持鋼珠在同一直在線運轉,大幅的提高其行走順暢度。
【低噪音,潤滑效果佳】
鋼珠鏈帶式的設計減少了鋼珠間的金屬碰撞,降低整體的運行噪音,并在鋼珠與鏈帶間可
有效的保持潤滑油脂,潤滑效果佳,提升整體的行走順暢度與使用壽命,可滿足高精度、
高可靠度及平滑穩(wěn)定的直線運動需求。




























SME15EA SME15LEA SME20EA SME20LEA SME25EA SME25LEA SME30EA SME30LEA SME35EA SME35LEA SME45EA SME45LEA
SME15EB SME15LEB SME20EB SME20LEB SME25EB SME25LEB
SME15SA SME15LSA SME20SA SME20LSA SME25SA SME25LSA SME30SA SME30LSA SME35SA SME35LSA SME45SA SME45LSA
SME15SB SME15LSB SME20SB SME20LSB SME25SB SME25LSB SME25SV SME25LSV SME30SB SME30LSB SME35SB SME35LSB SME45SB SME45LSB
上一篇:SME45LSB
下一篇:SME15LSA

















