優(yōu)勢特點:PMI銀泰MSR系列滾柱型直線導軌由于使用滾柱滾動體取代一般的鋼珠滾動體,因此在相同尺寸的直線導軌上可提供更高的剛性與負載能力,特別適用于講求高精度、高負載與高剛性的設備需求。



PMI銀泰MSR系列滾柱型直線導軌由于使用滾柱滾動體取代一般的鋼珠滾動體,因此在相同尺寸的直線導軌上可提供更高的剛性與負載能力,特別適用于講求高精度、高負載與高剛性的設備需求。
【超重負荷】
滾柱型系列MSR直線導軌透過滾柱滾動體與滑塊及導軌的線接觸受力方式,相較于一般鋼珠型直線導軌的點接觸模式,在承受相同負載時提供更低的彈性變形量,相同外徑條件下提供更高的負載能力,其高剛性、高負載的優(yōu)良特性,更能滿足重負荷加工的高精度應用。
【四方向負荷的優(yōu)化設計】
透過有限元素法FEM的結構應力分析,優(yōu)化的四列式滾柱45°接觸角與高剛性斷面設計,除了提供徑向、反徑向及橫方向四方向更高的負荷能力,并且可利用預壓調整增加其剛性,更適合各種安裝方式的應用。

















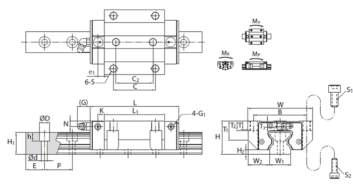
MSR25E MSR25LE MSR30E MSR30LE MSR35E MSR35LE MSR45E MSR45LE MSR55E MSR55LE MSR65LE
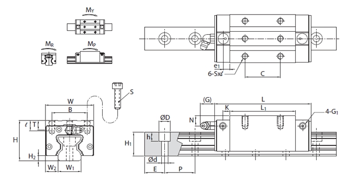
MSR25S MSR25LS MSR30S MSR30LS MSR45S MSR45LS MSR55S MSR55LS MSR65LS
上一篇:MSR65LS
下一篇:MSR25LE

















